DEHN 900975 Generatorenanschlusskasten | zum Schutz von 1 MPP-Eingang, 2 Strings, Trennkl.

Marke: DEHN
Produkt-Nr.: 20083912
EAN: 4013364520318
Herstellerartikelnummer: 900975
Herstellertyp: DCU 2 YPV 1+2 1000 1M 2S FM
Gewicht: 1,851 kg
Auf Lager
Lieferzeit 4-8 Werktage
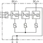
Generatoranschlusskasten DCU 2 YPV 1+2 1000 1M 2S FM in Schutzart IP65. Nach DIN EN IEC 61439-2 zum Schutz von einem MPP-Eingang und zwei Strings. Zum Einsatz gemäß DIN IEC 60364-7-712:2011-04 (Errichten von Photovoltaik-Versorgungssystemen).
Herstellerartikelnummer
900975
Herstellertyp
DCU 2 YPV 1+2 1000 1M 2S FM
Klasse
PV-Zubehör
Marke
DEHN

Die nachstehenden Links führen ggf. auf externe Webseiten. Für Aktualität und Korrektheit der externen Inhalte ist Voltus nicht verantwortlich.

Herstellerinformation
DEHN
DEHN SE
Hans-Dehn-Str.1
92318 Neumarkt i.d.OPf.
DE

info@dehn.de
www.dehn.de/de

1